2025年工程建设资料:钢结构幕墙施工组织方案.doc

2025年工程建设资料:钢结构幕墙施工组织方案.doc_第1页
2025年工程建设资料:钢结构幕墙施工组织方案.doc_第2页
2025年工程建设资料:钢结构幕墙施工组织方案.doc_第3页
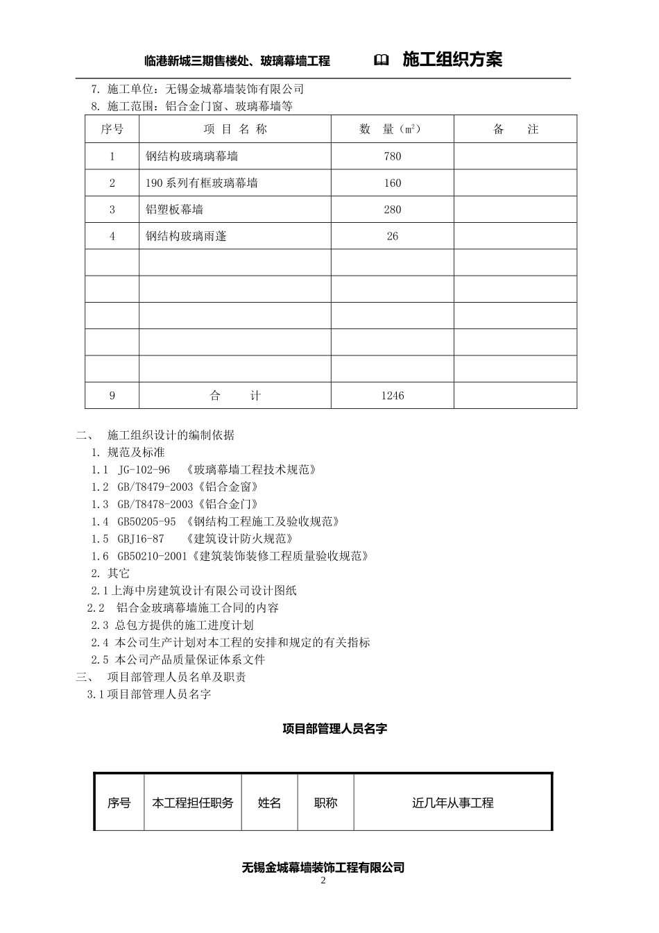
临港新城三期售楼处、玻璃幕墙工程施工组织方案目录一、工程概况二、施工组织设计编制依据三、项目部管理人员名单及职责四、施工准备五、施工方案六、进度计划七、质量要求和措施八、成品保护措施以及成品污染...

1、本站所有内容均由用户上传,如文档内容存在违规,或者侵犯商业秘密、侵犯著作权等,请联系我们督促用户删除。
2、当您付费下载文档后,并不意味着购买了版权,版权任归原作者所有,文档只能用于自身研究参考使用,不得用于商业用途。
3、本站不对文档的完整性、权威性及其观点立场正确性做任何保证或承诺!文档内容仅供研究参考,付费前请自行鉴别。

电脑上下载的文档不知道保存在哪里?
使用键盘组合键(ctrl + j),就能打开浏览器的下载列表,查看文档下载进度和保存位置。

文档是由不同用户整理和上传,上传的时候是什么格式和内容,下载之后也不会变。建议您先查看一下文档内容和格式,是否符合自己的要求。

ljcx的最新文档

专题82 物理常识(原卷版)-十年(2014-2023)高考物理真题分项汇编(全国通用).docx
10.00金币
210下载
专题82 物理常识(解析版)-十年(2014-2023)高考物理真题分项汇编(全国通用).docx
10.00金币
135下载
专题81 实验十二:热学和光学实验(原卷版)-十年(2014-2023)高考物理真题分项汇编(全国通用).docx
10.00金币
120下载
专题81 实验十二:热学和光学实验(解析版)-十年(2014-2023)高考物理真题分项汇编(全国通用).docx
10.00金币
29下载
专题80 实验十一:多用电表的使用(原卷版)-十年(2014-2023)高考物理真题分项汇编(全国通用).docx
10.00金币
280下载
专题80 实验十一:多用电表的使用(解析版)-十年(2014-2023)高考物理真题分项汇编(全国通用).docx
10.00金币
26下载
专题79 实验十:测量电动势和内电阻(原卷版)-十年(2014-2023)高考物理真题分项汇编(全国通用).docx
10.00金币
287下载
专题79 实验十:测量电动势和内电阻(解析版)-十年(2014-2023)高考物理真题分项汇编(全国通用).docx
10.00金币
172下载
专题78 实验九:测量电阻丝电阻率(原卷版)-十年(2014-2023)高考物理真题分项汇编(全国通用).docx
10.00金币
181下载
专题78 实验九:测量电阻丝电阻率(解析版)-十年(2014-2023)高考物理真题分项汇编(全国通用).docx
10.00金币
58下载
ljcx+ 关注
实名认证
内容提供者

教育文档、标准规范

确认删除?
回到顶部