换热站安装工程检验批质量验收记录表.doc

换热站安装工程检验批质量验收记录表.doc_第1页
换热站安装工程检验批质量验收记录表.doc_第2页
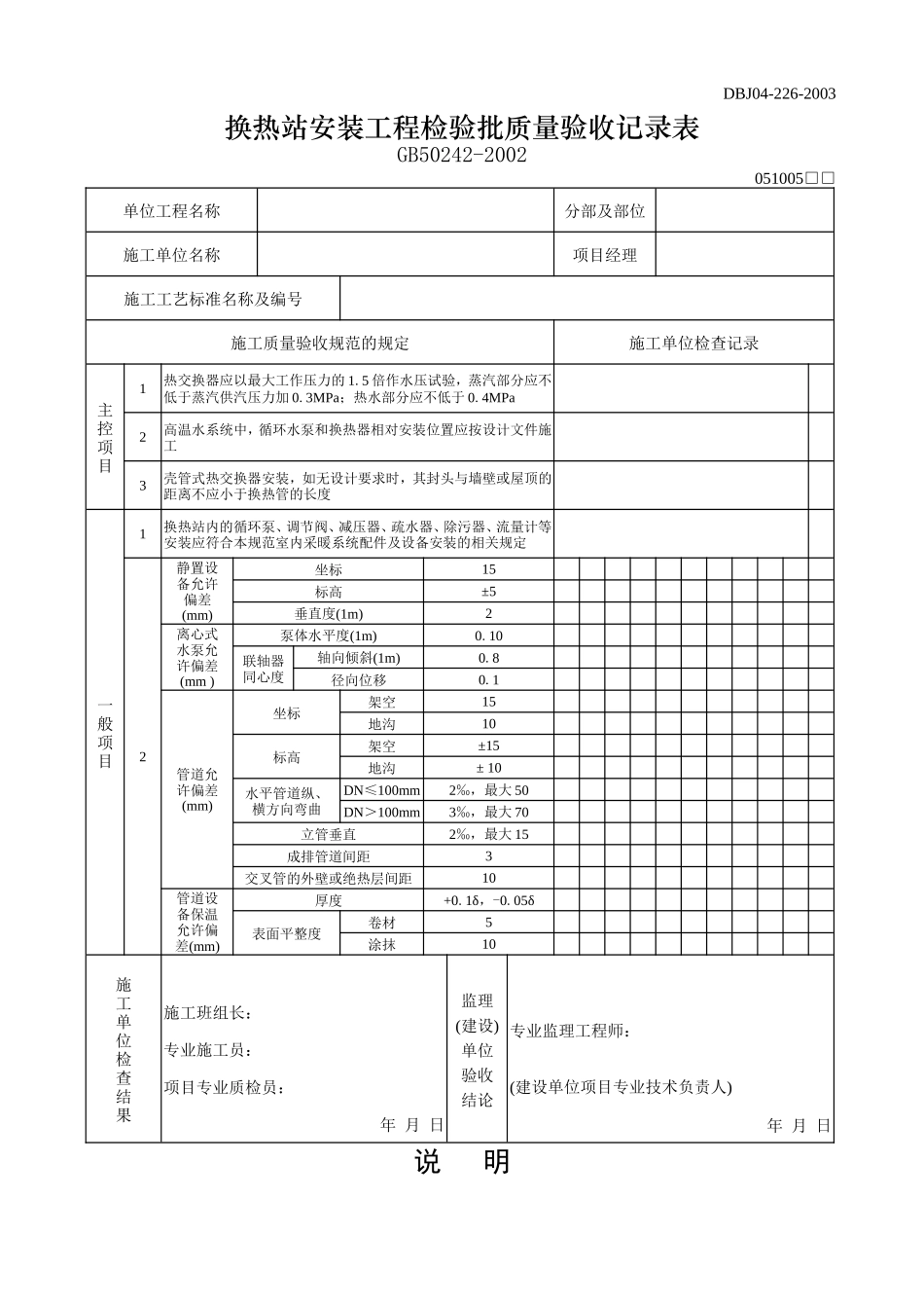
DBJ04-226-2003换热站安装工程检验批质量验收记录表GB50242-2002051005□□单位工程名称分部及部位施工单位名称项目经理施工工艺标准名称及编号施工质量验收规范的规定施工单位检查记录主控项目1热交换器应以最大...

1、本站所有内容均由用户上传,如文档内容存在违规,或者侵犯商业秘密、侵犯著作权等,请联系我们督促用户删除。
2、当您付费下载文档后,并不意味着购买了版权,版权任归原作者所有,文档只能用于自身研究参考使用,不得用于商业用途。
3、本站不对文档的完整性、权威性及其观点立场正确性做任何保证或承诺!文档内容仅供研究参考,付费前请自行鉴别。

电脑上下载的文档不知道保存在哪里?
使用键盘组合键(ctrl + j),就能打开浏览器的下载列表,查看文档下载进度和保存位置。

文档是由不同用户整理和上传,上传的时候是什么格式和内容,下载之后也不会变。建议您先查看一下文档内容和格式,是否符合自己的要求。

ljcx+ 关注
实名认证
内容提供者

教育文档、标准规范

确认删除?
回到顶部