基交-4-1(水准基点表).xls

基交-4-1(水准基点表).xls_第1页
基交-4-1(水准基点表).xls_第2页
基交-4-1(水准基点表).xls_第3页
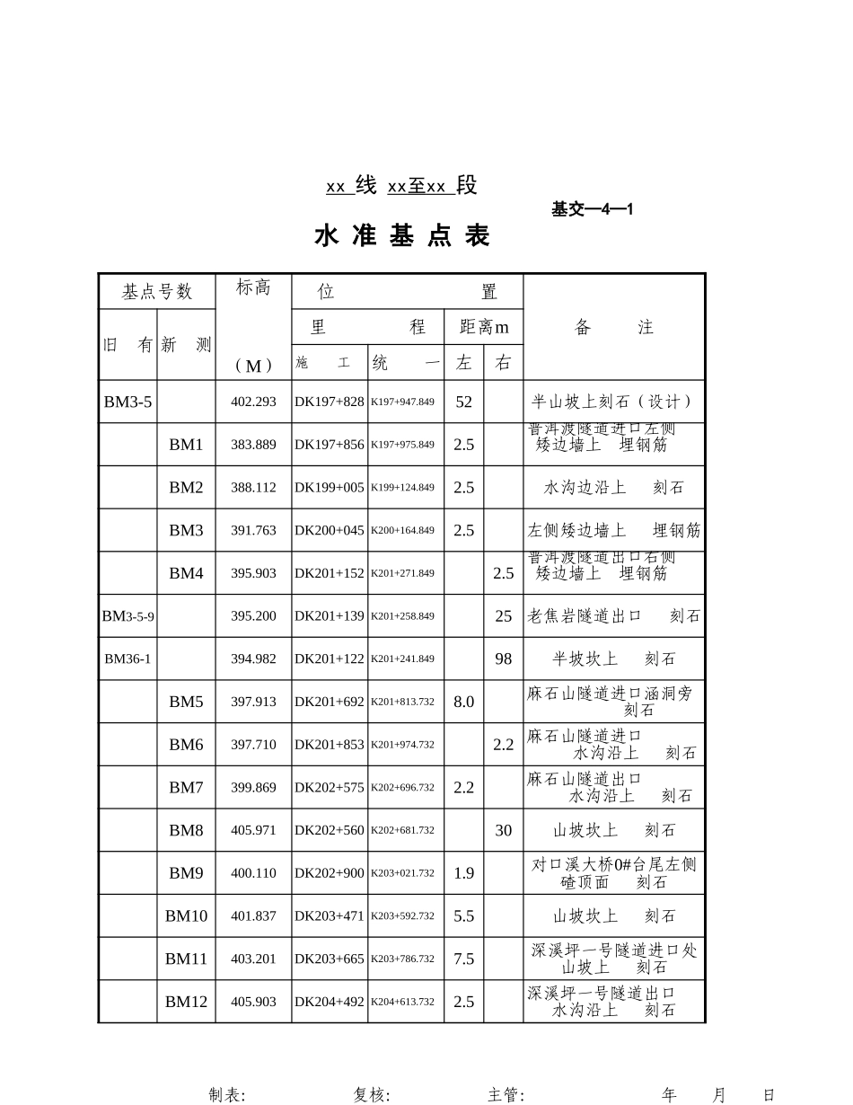
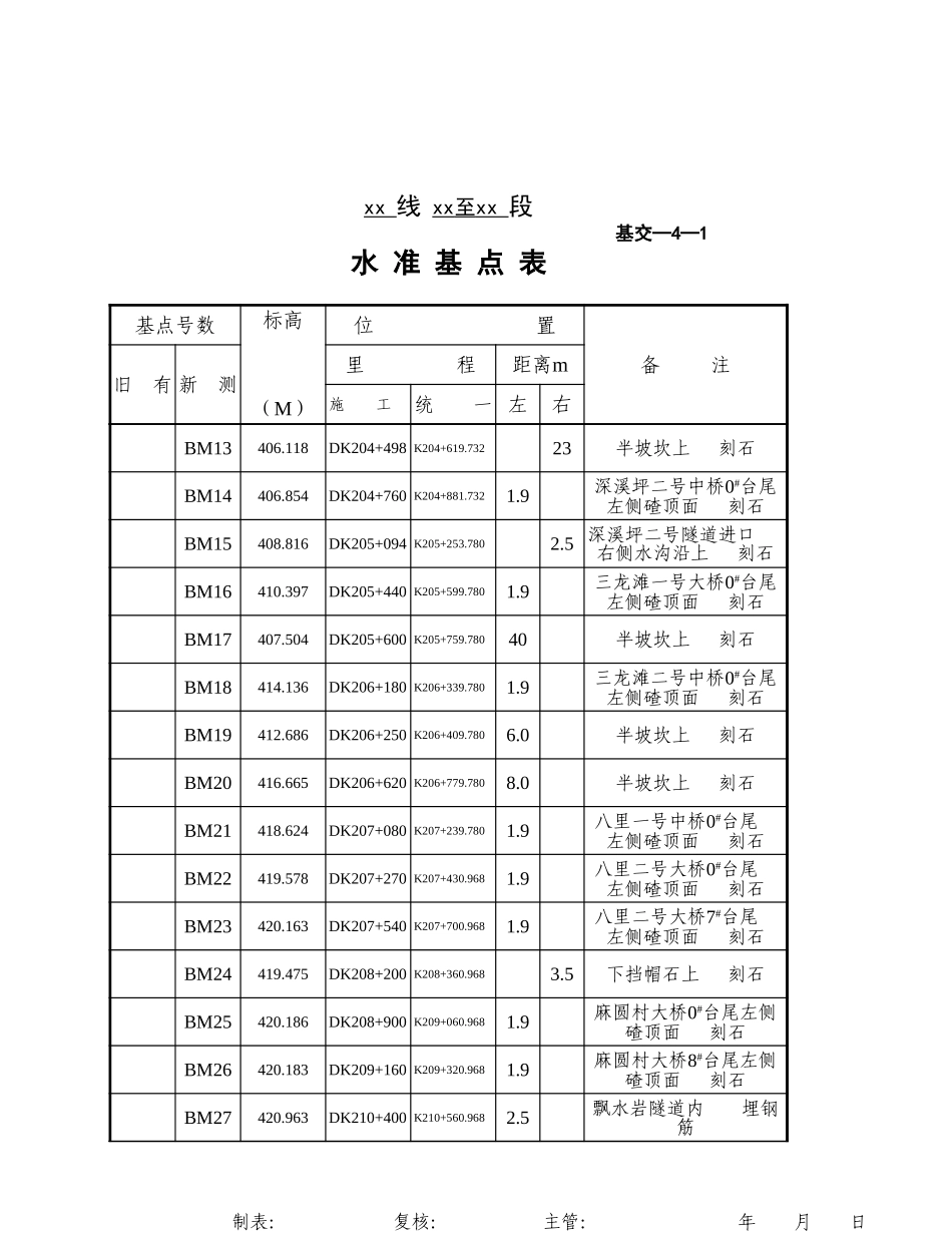
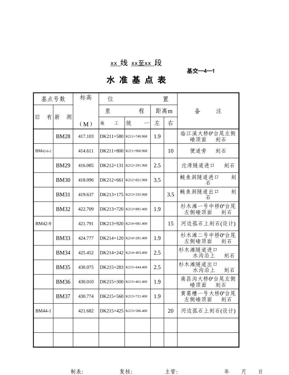
第页共页制表:复核:主管:年月日水准基点表基点号数左右BM3-5402.293DK197+828K197+947.84952半山坡上刻石(设计)BM1383.889DK197+856K197+975.8492.5BM2388.112DK199+005K199+124.8492.5BM3391.763DK200+045K200...

1、本站所有内容均由用户上传,如文档内容存在违规,或者侵犯商业秘密、侵犯著作权等,请联系我们督促用户删除。
2、当您付费下载文档后,并不意味着购买了版权,版权任归原作者所有,文档只能用于自身研究参考使用,不得用于商业用途。
3、本站不对文档的完整性、权威性及其观点立场正确性做任何保证或承诺!文档内容仅供研究参考,付费前请自行鉴别。

电脑上下载的文档不知道保存在哪里?
使用键盘组合键(ctrl + j),就能打开浏览器的下载列表,查看文档下载进度和保存位置。

文档是由不同用户整理和上传,上传的时候是什么格式和内容,下载之后也不会变。建议您先查看一下文档内容和格式,是否符合自己的要求。

ljcx+ 关注
实名认证
内容提供者

教育文档、标准规范

确认删除?
回到顶部