GB/T 6135.1-2008 直柄麻花钻 第1部分:粗直柄小麻花钻的型式和尺寸.pdf

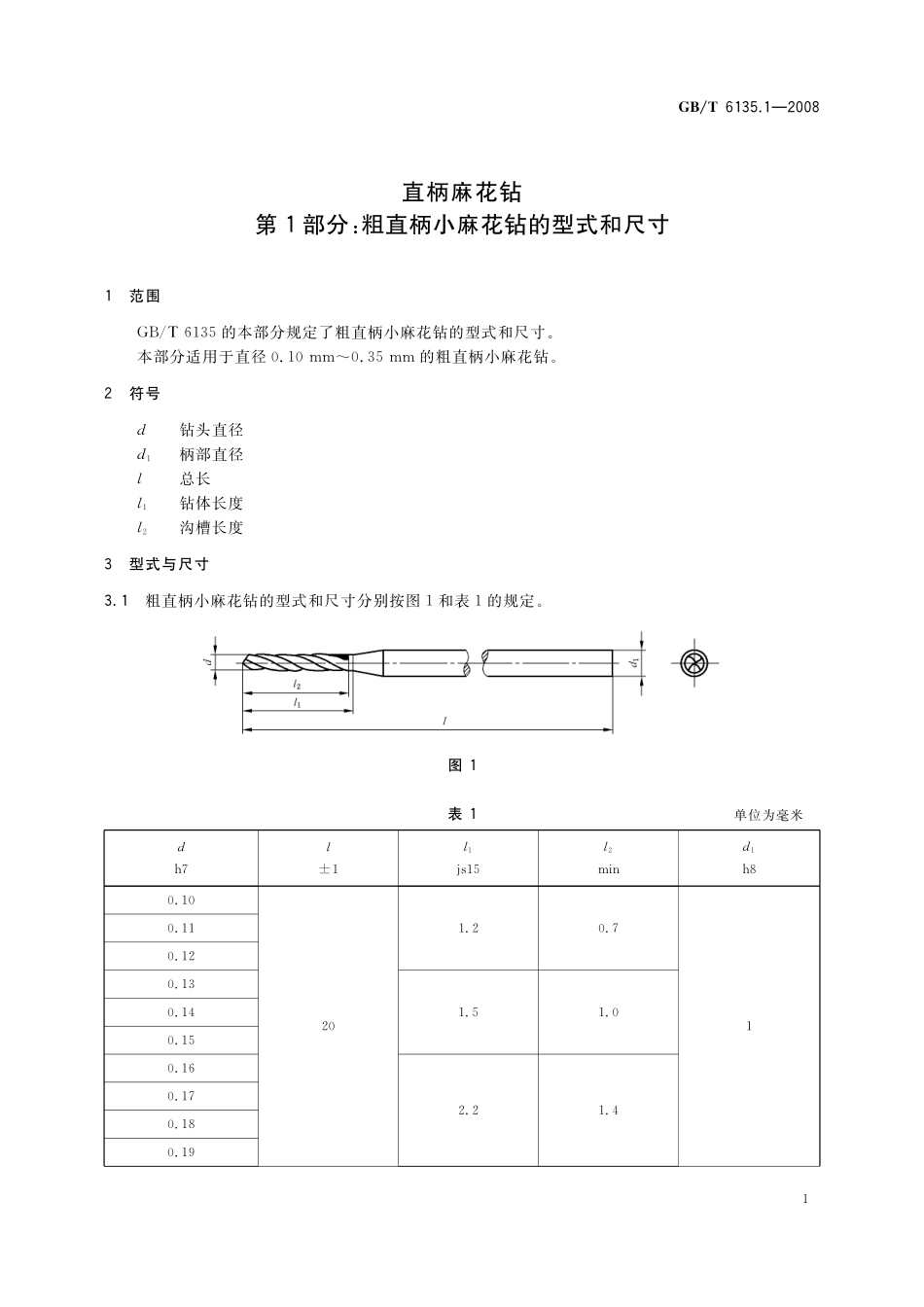
GB/T 6135.1-2008 直柄麻花钻 第1部分:粗直柄小麻花钻的型式和尺寸.pdf_第1页
GB/T 6135.1-2008 直柄麻花钻 第1部分:粗直柄小麻花钻的型式和尺寸.pdf_第2页
GB/T 6135.1-2008 直柄麻花钻 第1部分:粗直柄小麻花钻的型式和尺寸.pdf_第3页
书犐犆犛25.100.30犑41中华人民共和国国家标准犌犅/犜6135.1—2008代替GB/T6135.1—1996直柄麻花钻第1部分:粗直柄小麻花钻的型式和尺寸犘犪狉犪犾犾犲犾狊犺犪狀犽狋狑犻...

1、本站所有内容均由用户上传,如文档内容存在违规,或者侵犯商业秘密、侵犯著作权等,请联系我们督促用户删除。
2、当您付费下载文档后,并不意味着购买了版权,版权任归原作者所有,文档只能用于自身研究参考使用,不得用于商业用途。
3、本站不对文档的完整性、权威性及其观点立场正确性做任何保证或承诺!文档内容仅供研究参考,付费前请自行鉴别。

电脑上下载的文档不知道保存在哪里?
使用键盘组合键(ctrl + j),就能打开浏览器的下载列表,查看文档下载进度和保存位置。

文档是由不同用户整理和上传,上传的时候是什么格式和内容,下载之后也不会变。建议您先查看一下文档内容和格式,是否符合自己的要求。

团结就是力量+ 关注
实名认证
内容提供者

该用户很懒,什么也没介绍

确认删除?
回到顶部