SLT 148.4-1995 旋桨式流速仪产品质量分等.pdf

SLT 148.4-1995 旋桨式流速仪产品质量分等.pdf_第1页
SLT 148.4-1995 旋桨式流速仪产品质量分等.pdf_第2页
SLT 148.4-1995 旋桨式流速仪产品质量分等.pdf_第3页
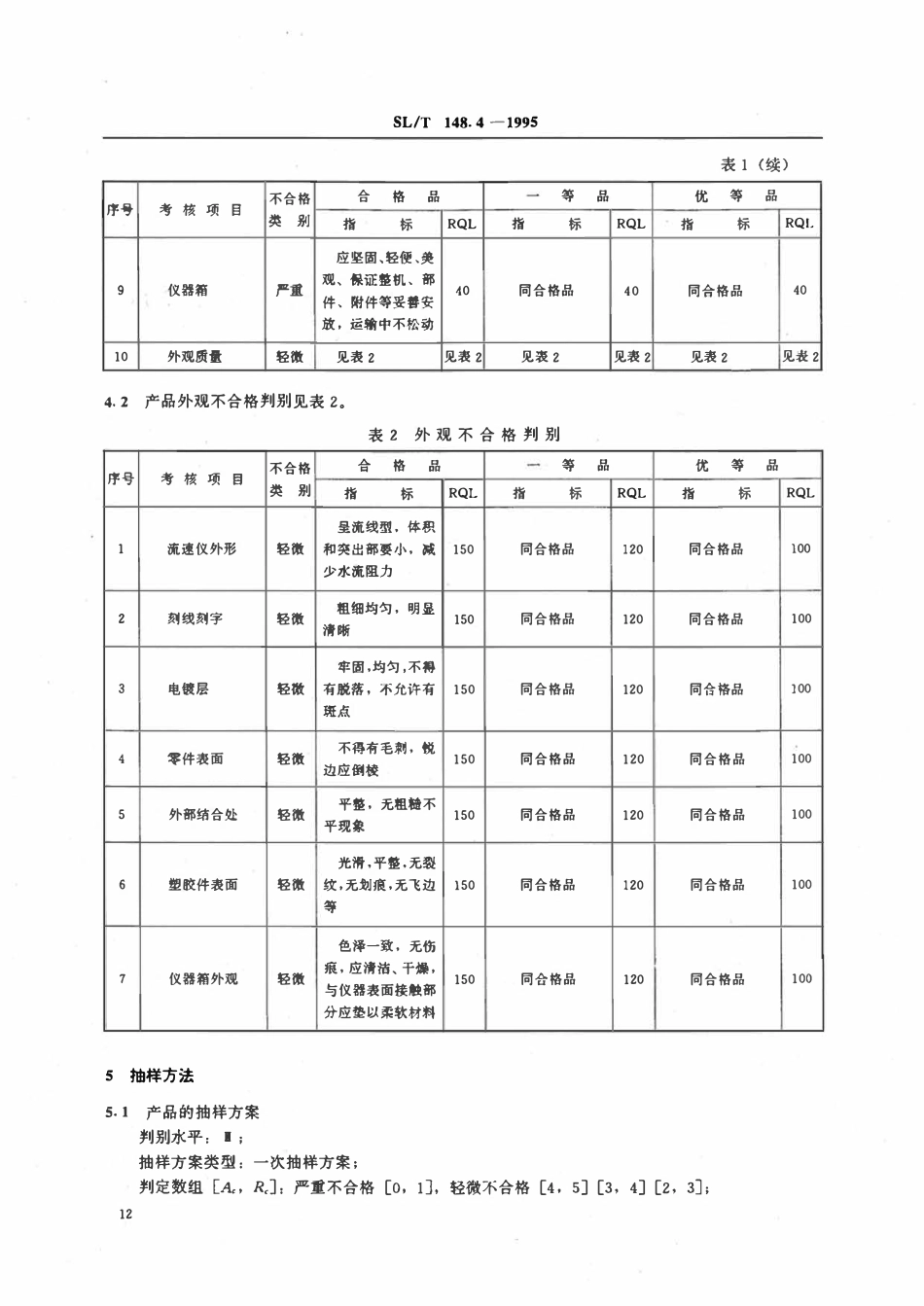
中华人民共和国行业标准SL/T148.4一1995旋桨式流速仪产品质量分等Gradingofproductsqualityforpropeller一typecurrentmeterl23420013508主题内容与适用范围本标准规定了旋桨式流速仪质量和技术性能的分级指标、抽...

1、本站所有内容均由用户上传,如文档内容存在违规,或者侵犯商业秘密、侵犯著作权等,请联系我们督促用户删除。
2、当您付费下载文档后,并不意味着购买了版权,版权任归原作者所有,文档只能用于自身研究参考使用,不得用于商业用途。
3、本站不对文档的完整性、权威性及其观点立场正确性做任何保证或承诺!文档内容仅供研究参考,付费前请自行鉴别。

电脑上下载的文档不知道保存在哪里?
使用键盘组合键(ctrl + j),就能打开浏览器的下载列表,查看文档下载进度和保存位置。

文档是由不同用户整理和上传,上传的时候是什么格式和内容,下载之后也不会变。建议您先查看一下文档内容和格式,是否符合自己的要求。

规范图集大全+ 关注
实名认证
内容提供者

国标行标地标团标规范图集大全,需要的可加V:zwgfire

确认删除?
回到顶部