YY 0088-1992 微量进样器.pdf

YY 0088-1992 微量进样器.pdf_第1页
YY 0088-1992 微量进样器.pdf_第2页
YY 0088-1992 微量进样器.pdf_第3页
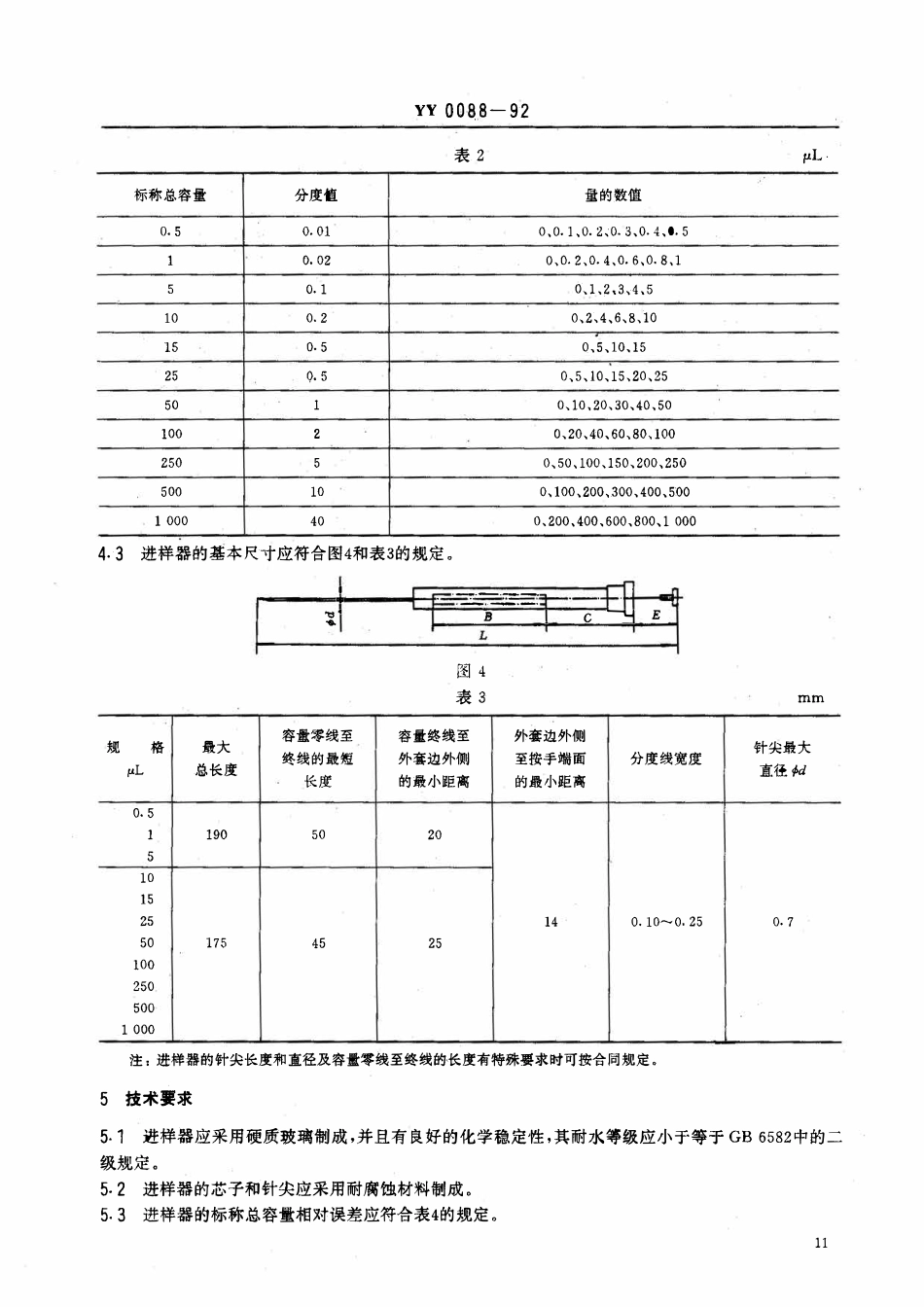
中华人民共和国医药行业标准yy0088-92微量进样器1主题内容与适应范围本标准规定了微量进样器(以下简称进祥器)的产品分类、技术要求、试验方法、检验规则及标志、包装、储运、贮存的要求。本标准适用千微盐进祥...

1、本站所有内容均由用户上传,如文档内容存在违规,或者侵犯商业秘密、侵犯著作权等,请联系我们督促用户删除。
2、当您付费下载文档后,并不意味着购买了版权,版权任归原作者所有,文档只能用于自身研究参考使用,不得用于商业用途。
3、本站不对文档的完整性、权威性及其观点立场正确性做任何保证或承诺!文档内容仅供研究参考,付费前请自行鉴别。

电脑上下载的文档不知道保存在哪里?
使用键盘组合键(ctrl + j),就能打开浏览器的下载列表,查看文档下载进度和保存位置。

文档是由不同用户整理和上传,上传的时候是什么格式和内容,下载之后也不会变。建议您先查看一下文档内容和格式,是否符合自己的要求。

规范图集大全+ 关注
实名认证
内容提供者

国标行标地标团标规范图集大全,需要的可加V:zwgfire

确认删除?
回到顶部