PDP4226维修手册_pdp4226电路图.pdf

PDP4226维修手册_pdp4226电路图.pdf_第1页
PDP4226维修手册_pdp4226电路图.pdf_第2页
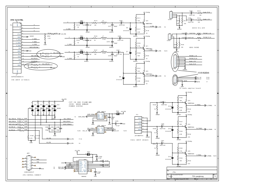
5544332211DDCCBBAAHEADPHONEAUDIOR/LACRSTBINPUT(D-SUB15)YCbCrINPUT(RCAX3)STBCONTROLCONNECTTOaudioamplierboardCUTINGNDPLANEANDJOINNEARANALOGPOWERSUPPLY功放板插座TCL:yanghong0.6Custom119Tuesday...</div></div><div class="pre-detail-bottom"><a class="pre-detail-more" href="javascript:;" kes-height="0">查看更多 <i class="icon-lower"></i></a></div></div></div><div class="noticeidtxt"><p>1、本站所有内容均由用户上传,如文档内容存在违规,或者侵犯商业秘密、侵犯著作权等,请联系我们督促用户删除。<br>2、当您付费下载文档后,并不意味着购买了版权,版权任归原作者所有,文档只能用于自身研究参考使用,不得用于商业用途。<br>3、本站不对文档的完整性、权威性及其观点立场正确性做任何保证或承诺!文档内容仅供研究参考,付费前请自行鉴别。</p></div><div class="noticeidtxt"><p>电脑上下载的文档不知道保存在哪里?<br>使用键盘组合键(ctrl + j),就能打开浏览器的下载列表,查看文档下载进度和保存位置。</p> <p>文档是由不同用户整理和上传,上传的时候是什么格式和内容,下载之后也不会变。建议您先查看一下文档内容和格式,是否符合自己的要求。</p></div></div><script> $(function () { var id = 409058; var current = 1;//当前第几页 var total = 20;//总数 var totalpage = 0;//总页数 var pagesie = 1;//每页多少 var currpage = 1;//当前页码 var prenum = 2;//预览总数 init(); $(document).on('click', '#btn-next-read',function(){ if (currpage < totalpage) { currpage++; getpage(); } }); $( "#btn-page-prev").on("click",function() { if (current > 1) { current--; gopage(); } }); $( "#btn-page-next").on("click",function() {console.log('aaaa'); if (current < prenum) { current++; gopage(); } }); $("#txt-page-index").change(function () { var p = parseInt($(this).val()); if (isNaN(p)) { // do nothing } else if (p < 1) { current = 1; } else if (p > prenum) { current = prenum; } else { current = p; } gopage(); }); function read(){ var loadlen = $('.h5box>div.view-page').length; if (total == loadlen) { $(".read-next").html('<div class="readover">已完成全部阅读,共<i class="last-page-num">'+total+'</i>页</div>'); }else{ if(loadlen < prenum){ $(".read-next").html('<div class="nextread"><span>剩余<i class="last-page-num">'+(total - loadlen)+'</i>页未读,<span class="last-page-next" id="btn-next-read">继续预览 <i class="iconfont icon31xiala"></i></span></span></div>'); }else{ $(".read-next").html('<div class="readover">试读已结束,还剩<i class="last-page-num">'+(total - loadlen)+'</i>页未读,您可下载完整版后进行离线阅读</div>'); } } if (typeof loadDocAds === 'function') {loadDocAds();} } function getpage() { var url = BASE_URL+'wenku/index/read/id/'+id+'/page/' + currpage + '/size/' + pagesie + '.html'; $.ajax({ type : 'get', async : false, url : url, cache : false, data : {}, success : function(res){ if(res.status){ $.each(res.data, function(index, item) { var p = $('.h5box>div.view-page').length + 1; var content = ''; if(res.section == 'html'){ content = '<div class="view-page bg-white box-shadow margin-top-sm padding-tb-xs" id="p' + p + '">'+item+'</div>'; }else if (res.section == 'picture') { content = '<div class="view-page bg-white box-shadow margin-top-sm margin-bottom-sm" id="p' + p + '"><img src="'+item+'"></div>'; } $(".h5box").append(content); }); read(); }else{ toast({msg:res.msg,type:'error'}); } } }); }; function gopage() { if($('#p'+current).length>0){ location.hash = "p" + current; $("#txt-page-index").val(current); }else{ var sp = Math.ceil(current / pagesie); if(currpage < sp){ for (var i = currpage; i <= sp; i++) { currpage++; getpage(); } } location.hash = "p" + current; $("#txt-page-index").val(current); } } function init() { var p = location.hash.substring(2); if (isNaN(p)) { current = 1; } else if (p < 1) { current = 1; } else if (p > prenum) { current = prenum; } else { current = p; } if (current != 1) gopage(); read(); } $(window).scroll(function () { var fix = $(".content").offset().top; var scroll = $(this).scrollTop(); var bottom = $(".view-foot").offset().top - 958; if (scroll > fix && scroll < bottom) { $(".view-bar").addClass("fixed").fadeIn(); } else { $(".view-bar").removeClass("fixed"); } function gettarget() { var len = $('.h5box>div.view-page').length; var flag = true; var temp = $(this).scrollTop(); var that = []; for (var i = 1; i <= len; i++) { if ($('#p'+i).offset().top + $('#p'+i).height() / 1.5 >= temp) { return i; flag = false; break; } } if (flag) { return len; } } current = gettarget(); $("#txt-page-index").val(current); }) }); </script><!-- 内容 --><!-- 店铺的文档 --><div class="view-ta bg-white box-shadow"><div class="doc-list-title"><h3>ffdsa的最新文档</h3></div><div class="list-row"><a href="https://wk.58sms.com/doc/p-837310.html" class="list-item" target="_blank"><div class="list-item-img"><img class="lazy" src="https://wk.58sms.com/assets/images/load.png" data-original="https://wk.58sms.com/assets/images/doc.png" /><i class="filetype file-icon icon-pan"></i></div><div class="text-cut2 list-item-title">飞书官方正式版电脑PC版</div><div class="flex-between list-item-bottom"><div><span class="text-red">免费</span></div><div><span class="text-hui">26</span>下载</div></div></a><a href="https://wk.58sms.com/doc/p-800560.html" class="list-item" target="_blank"><div class="list-item-img"><img class="lazy" src="https://wk.58sms.com/assets/images/load.png" data-original="https://wubawenkudoc.oss-cn-hangzhou.aliyuncs.com/convert/202503/21/800560/thumb-P1-9250e40a-4c2c-4bb7-b268-e20bf9118fba-320x453.webp" /><i class="filetype file-icon icon-word"></i></div><div class="text-cut2 list-item-title">水泥搅拌桩机械防倾覆安全技术交底.doc</div><div class="flex-between list-item-bottom"><div><span class="text-red">5.00金币</span></div><div><span class="text-hui">239</span>下载</div></div></a><a href="https://wk.58sms.com/doc/p-800559.html" class="list-item" target="_blank"><div class="list-item-img"><img class="lazy" src="https://wk.58sms.com/assets/images/load.png" data-original="https://wubawenkudoc.oss-cn-hangzhou.aliyuncs.com/convert/202503/21/800559/thumb-P1-778b0d94-92d6-43eb-b31b-ea8eb97ea1cd-320x453.webp" /><i class="filetype file-icon icon-word"></i></div><div class="text-cut2 list-item-title">某城市广场土方开挖工程技术交底.doc</div><div class="flex-between list-item-bottom"><div><span class="text-red">5.00金币</span></div><div><span class="text-hui">274</span>下载</div></div></a><a href="https://wk.58sms.com/doc/p-800558.html" class="list-item" target="_blank"><div class="list-item-img"><img class="lazy" src="https://wk.58sms.com/assets/images/load.png" data-original="https://wubawenkudoc.oss-cn-hangzhou.aliyuncs.com/convert/202503/21/800558/thumb-P1-d8a01102-fd31-4e25-9d88-b71ea909d507-320x453.webp" /><i class="filetype file-icon icon-word"></i></div><div class="text-cut2 list-item-title">湖北省建设工程监理投标资格预审文件.doc</div><div class="flex-between list-item-bottom"><div><span class="text-red">5.00金币</span></div><div><span class="text-hui">258</span>下载</div></div></a><a href="https://wk.58sms.com/doc/p-800557.html" class="list-item" target="_blank"><div class="list-item-img"><img class="lazy" src="https://wk.58sms.com/assets/images/load.png" data-original="https://wubawenkudoc.oss-cn-hangzhou.aliyuncs.com/convert/202503/21/800557/thumb-P1-eea7d6f2-9e78-4d9b-aea0-971d594621f5-320x453.webp" /><i class="filetype file-icon icon-word"></i></div><div class="text-cut2 list-item-title">为哈尔滨学院新建学生公寓土建工程监理实施细则.doc</div><div class="flex-between list-item-bottom"><div><span class="text-red">5.00金币</span></div><div><span class="text-hui">243</span>下载</div></div></a><a href="https://wk.58sms.com/doc/p-800556.html" class="list-item" target="_blank"><div class="list-item-img"><img class="lazy" src="https://wk.58sms.com/assets/images/load.png" data-original="https://wubawenkudoc.oss-cn-hangzhou.aliyuncs.com/convert/202503/21/800556/thumb-P1-83a7612e-fe67-43b9-a009-9fff4c75c68b-320x453.webp" /><i class="filetype file-icon icon-word"></i></div><div class="text-cut2 list-item-title">静压预制管桩监理实施细则.doc</div><div class="flex-between list-item-bottom"><div><span class="text-red">5.00金币</span></div><div><span class="text-hui">271</span>下载</div></div></a><a href="https://wk.58sms.com/doc/p-800555.html" class="list-item" target="_blank"><div class="list-item-img"><img class="lazy" src="https://wk.58sms.com/assets/images/load.png" data-original="https://wubawenkudoc.oss-cn-hangzhou.aliyuncs.com/convert/202503/21/800555/thumb-P1-33f13ca8-7aea-4646-b93e-36e046bfc6fe-320x453.webp" /><i class="filetype file-icon icon-word"></i></div><div class="text-cut2 list-item-title">广州大学城(小谷围)房建砌砖工程监理细则.doc</div><div class="flex-between list-item-bottom"><div><span class="text-red">5.00金币</span></div><div><span class="text-hui">218</span>下载</div></div></a><a href="https://wk.58sms.com/doc/p-800554.html" class="list-item" target="_blank"><div class="list-item-img"><img class="lazy" src="https://wk.58sms.com/assets/images/load.png" data-original="https://wubawenkudoc.oss-cn-hangzhou.aliyuncs.com/convert/202503/21/800554/thumb-P1-bda0efb7-0de2-43e3-bcd8-7400ed3d86d2-320x453.webp" /><i class="filetype file-icon icon-word"></i></div><div class="text-cut2 list-item-title">电信楼建筑安装工程施工监理规范(送审稿).doc</div><div class="flex-between list-item-bottom"><div><span class="text-red">5.00金币</span></div><div><span class="text-hui">23</span>下载</div></div></a><a href="https://wk.58sms.com/doc/p-800553.html" class="list-item" target="_blank"><div class="list-item-img"><img class="lazy" src="https://wk.58sms.com/assets/images/load.png" data-original="https://wubawenkudoc.oss-cn-hangzhou.aliyuncs.com/convert/202503/21/800553/thumb-P1-3437ffaf-de68-4306-98a1-03de1d086174-320x453.webp" /><i class="filetype file-icon icon-word"></i></div><div class="text-cut2 list-item-title">砌砖基础技术交底.doc</div><div class="flex-between list-item-bottom"><div><span class="text-red">5.00金币</span></div><div><span class="text-hui">88</span>下载</div></div></a><a href="https://wk.58sms.com/doc/p-800552.html" class="list-item" target="_blank"><div class="list-item-img"><img class="lazy" src="https://wk.58sms.com/assets/images/load.png" data-original="https://wubawenkudoc.oss-cn-hangzhou.aliyuncs.com/convert/202503/21/800552/thumb-P1-819d7227-5ed2-42ab-8939-ba2b64e32e1a-320x453.webp" /><i class="filetype file-icon icon-word"></i></div><div class="text-cut2 list-item-title">电缆敷设工艺标准.doc</div><div class="flex-between list-item-bottom"><div><span class="text-red">5.00金币</span></div><div><span class="text-hui">244</span>下载</div></div></a></div></div></div><div class="right-box margin-left-sm"><div class="shop-box bg-white margin-bottom-sm box-shadow"><div class="publish"><div class="bd crm nocrm"><div class="info"><div class="logo"><a href="https://wk.58sms.com/u/6.html" target="_blank"><img src="https://wubawenkudoc.oss-cn-hangzhou.aliyuncs.com/files/202408/27/76486d57-c290-4e25-96e2-7c3566268640.jpg" alt="头像" onerror="this.src='https://wk.58sms.com/assets/images/avator.png'"></a></div><dl class="name"><dt><a href="https://wk.58sms.com/u/6.html" class="attend" target="_blank">ffdsa</a><a class="no-regard" href="javascript:;" onclick="regard(this)" title="点击关注">+ 关注</a></dt><dd><div class="authen-about"><svg t="1711372422005" class="icon" viewBox="0 0 1024 1024" version="1.1" xmlns="http://www.w3.org/2000/svg" p-id="47514" width="16" height="16"><path d="M0 512a512 512 0 1 0 1024 0A512 512 0 1 0 0 512z" fill="#2878ff" p-id="47515" data-spm-anchor-id="a313x.search_index.0.i109.2b2d3a816aQiFI" class="selected"></path><path d="M221.337 330.02h288.497v35.385h-40.08c-26.719 2.888-31.052 23.83-13.36 62.104l102.184 226.392 88.824-199.673c26.72-56.327 2.889-85.574-71.131-88.823V330.02h226.392v35.385c-47.3 0-78.353 22.025-93.157 66.437L545.22 791.47h-66.44L310.16 436.536c-17.693-47.3-47.3-71.131-88.824-71.131V330.02z" fill="#FFFFFF" p-id="47516"></path></svg>实名认证</div><div class="authen-about"><svg t="1700461329982" class="icon" viewBox="0 0 1024 1024" version="1.1" xmlns="http://www.w3.org/2000/svg" p-id="4323" width="20" height="20"><path d="M704 128a192 192 0 0 1 192 192v384a192 192 0 0 1-192 192H320a192 192 0 0 1-192-192V320a192 192 0 0 1 192-192h384zM540.224 307.584l-4.8 0.704a24 24 0 0 0-17.472 29.12l17.408 69.824-93.184 23.232-17.408-69.888a24 24 0 0 0-46.528 11.648l17.408 69.824-69.888 17.472a24 24 0 1 0 11.648 46.528l69.824-17.408 23.232 93.184-69.888 17.408a24 24 0 0 0 11.648 46.528l69.824-17.408 17.472 69.888a24 24 0 1 0 46.528-11.648l-17.408-69.824 93.184-23.232 17.408 69.888a24 24 0 1 0 46.528-11.648l-17.408-69.824 69.888-17.472a24 24 0 1 0-11.648-46.528l-69.824 17.408-23.232-93.184 69.888-17.408a24 24 0 1 0-11.648-46.528l-69.824 17.408L564.48 325.76a24 24 0 0 0-29.056-17.472z m6.72 146.24l23.232 93.12-93.12 23.232-23.232-93.12 93.12-23.232z" fill="#FF8F49" p-id="4324"></path><path d="M320 320m128 0l320 0q128 0 128 128l0 320q0 128-128 128l-320 0q-128 0-128-128l0-320q0-128 128-128Z" fill="#FFFFFF" fill-opacity=".178" p-id="4325"></path></svg><span class="type">内容提供者</span></div></dd></dl></div><p class="intro">该用户很懒,什么也没介绍</p><div class="btns"><a class="btn-fav favorite-shop-btn" href="javascript:;" onclick="favorite(1)" title="收藏"><i class="iconfont icon-shoucang"></i> 收藏店铺 </a><a class="btn-space" href="https://wk.58sms.com/u/6.html" target="_blank" title="进入ffdsa的空间"><i class="iconfont icon-kongjian"></i> 进入空间</a></div></div></div></div><div class="adv margin-bottom-sm"></div><div class="list-box padding bg-white box-shadow margin-top-sm"><div class="list-box-title"><h3>相关文档</h3></div><ul class="list-box-body clear"><li><a href="https://wk.58sms.com/doc/p-1550412.html" title="SYT 7831-2024 油气田混合轻烃.pdf"><i class="file-icon icon-pdf"></i>SYT 7831-2024 油气田混合轻烃.pdf</a></li><li><a href="https://wk.58sms.com/doc/p-1550389.html" title="SYT 7399-2017 非粘结挠性管规范.pdf"><i class="file-icon icon-pdf"></i>SYT 7399-2017 非粘结挠性管规范.pdf</a></li><li><a href="https://wk.58sms.com/doc/p-1550382.html" title="SYT 7385-2017 防静电安全技术规范.pdf"><i class="file-icon icon-pdf"></i>SYT 7385-2017 防静电安全技术规范.pdf</a></li><li><a href="https://wk.58sms.com/doc/p-1550378.html" title="SYT 7377-2017 钻井液设计规范.pdf"><i class="file-icon icon-pdf"></i>SYT 7377-2017 钻井液设计规范.pdf</a></li><li><a href="https://wk.58sms.com/doc/p-1550377.html" title="SYT 7376-2017 导流能力测量仪.pdf"><i class="file-icon icon-pdf"></i>SYT 7376-2017 导流能力测量仪.pdf</a></li><li><a href="https://wk.58sms.com/doc/p-1550345.html" title="SYT 7340-2016 立管干涉.pdf"><i class="file-icon icon-pdf"></i>SYT 7340-2016 立管干涉.pdf</a></li><li><a href="https://wk.58sms.com/doc/p-1550344.html" title="SYT 7339-2016 水下焊接规范.pdf"><i class="file-icon icon-pdf"></i>SYT 7339-2016 水下焊接规范.pdf</a></li><li><a href="https://wk.58sms.com/doc/p-1550340.html" title="中华人民共和国安全生产法(2021年新修订版).pdf"><i class="file-icon icon-pdf"></i>中华人民共和国安全生产法(2021年新修订版).pdf</a></li><li><a href="https://wk.58sms.com/doc/p-1550339.html" title="CJT 472-2015 潜水排污泵.pdf"><i class="file-icon icon-pdf"></i>CJT 472-2015 潜水排污泵.pdf</a></li><li><a href="https://wk.58sms.com/doc/p-1550338.html" title="MTT131-1996 耙斗装岩机.pdf"><i class="file-icon icon-pdf"></i>MTT131-1996 耙斗装岩机.pdf</a></li></ul></div><div class="list-box padding bg-white box-shadow margin-top-sm"><div class="list-box-title"><h3>月度热门下载</h3></div><ul class="list-box-body clear"><li><a href="https://wk.58sms.com/doc/p-404253.html" title="飞利浦32PFL3605液晶电视(RAM1.0A LA机芯)维修手册_32PFL3605_RAM1.0A LA.pdf"><i class="file-icon icon-pdf"></i>飞利浦32PFL3605液晶电视(RAM1.0A LA机芯)维修手册_32PFL3605_RAM1.0A LA.pdf</a></li><li><a href="https://wk.58sms.com/doc/p-415445.html" title="日立CPT-2177彩电电路原理图_CPT-2177.pdf"><i class="file-icon icon-pdf"></i>日立CPT-2177彩电电路原理图_CPT-2177.pdf</a></li><li><a href="https://wk.58sms.com/doc/p-812474.html" title="抖音客户端电脑版下载抖音"><i class="file-icon icon-pan"></i>抖音客户端电脑版下载抖音</a></li><li><a href="https://wk.58sms.com/doc/p-104280.html" title="企业微信"><i class="file-icon icon-pan"></i>企业微信</a></li><li><a href="https://wk.58sms.com/doc/p-918020.html" title="WST598.7-2018卫生统计指标 第7部分:医疗服务.pdf"><i class="file-icon icon-pdf"></i>WST598.7-2018卫生统计指标 第7部分:医疗服务.pdf</a></li><li><a href="https://wk.58sms.com/doc/p-918165.html" title="WST461—2024糖化血红蛋白检测指南(代替WST 461—2015).pdf"><i class="file-icon icon-pdf"></i>WST461—2024糖化血红蛋白检测指南(代替WST 461—2015).pdf</a></li><li><a href="https://wk.58sms.com/doc/p-912078.html" title="新22S4专用给水工程.pdf"><i class="file-icon icon-pdf"></i>新22S4专用给水工程.pdf</a></li><li><a href="https://wk.58sms.com/doc/p-668736.html" title="【地理】必会知识点115条全梳理 .pdf"><i class="file-icon icon-pdf"></i>【地理】必会知识点115条全梳理 .pdf</a></li><li><a href="https://wk.58sms.com/doc/p-667652.html" title="JGJT199-2010 型钢水泥土搅拌墙技术规程.pdf"><i class="file-icon icon-pdf"></i>JGJT199-2010 型钢水泥土搅拌墙技术规程.pdf</a></li><li><a href="https://wk.58sms.com/doc/p-399740.html" title="SM2246XT_MP_EnhancePageMode_MPQ1102A_DBQ0412_FWQ0927A_20191120.rar"><i class="file-icon icon-rar"></i>SM2246XT_MP_EnhancePageMode_MPQ1102A_DBQ0412_FWQ0927A_20191120.rar</a></li></ul></div><div class="adv margin-top-sm margin-bottom-sm"><a href="https://pan.58sms.com/" target="_blank" title="文档右侧"><img src="https://wubawenkudoc.oss-cn-hangzhou.aliyuncs.com/files/202512/28/e1f099d4-6282-45ea-9bdb-a46307f69853.png"></a></div><div class="ranking-box bg-white box-shadow margin-top-sm"><h3>阅读排行</h3><div class="hot"><ul class="tab clearfix"><li class="active"><a href="javascript:;">周榜</a></li><li class=""><a href="javascript:;">月榜</a></li></ul><div id="hot_1" class="hotday" style="display: block;"><ul class="list-news-body clear"><li><a href="https://wk.58sms.com/doc/p-561018.html" title="23G525(替代05G525)吊车轨道联结及车挡(适用于钢吊车梁).pdf"><i class="file-icon icon-pdf"></i>23G525(替代05G525)吊车轨道联结及车挡(适用于钢吊车梁).pdf</a></li><li><a href="https://wk.58sms.com/doc/p-76611.html" title="监理规 划"><i class="file-icon icon-word"></i>监理规 划</a></li><li><a href="https://wk.58sms.com/doc/p-765686.html" title="23J909 工程做法_301-360.pdf"><i class="file-icon icon-pdf"></i>23J909 工程做法_301-360.pdf</a></li><li><a href="https://wk.58sms.com/doc/p-560730.html" title="21J925-2 金属面夹芯板建筑构造.pdf"><i class="file-icon icon-pdf"></i>21J925-2 金属面夹芯板建筑构造.pdf</a></li><li><a href="https://wk.58sms.com/doc/p-654055.html" title="GBT51223-2017 公共建筑标识系统技术规范.pdf"><i class="file-icon icon-pdf"></i>GBT51223-2017 公共建筑标识系统技术规范.pdf</a></li><li><a href="https://wk.58sms.com/doc/p-576570.html" title="2024海纳教育英语一模试题 (1).pdf"><i class="file-icon icon-pdf"></i>2024海纳教育英语一模试题 (1).pdf</a></li><li><a href="https://wk.58sms.com/doc/p-761548.html" title="2025年人力资源制度:中华人民共和国劳动法(最新版).pdf"><i class="file-icon icon-pdf"></i>2025年人力资源制度:中华人民共和国劳动法(最新版).pdf</a></li><li><a href="https://wk.58sms.com/doc/p-980247.html" title="HGT 21633-2024 玻璃钢管和管件选用规定.pdf"><i class="file-icon icon-pdf"></i>HGT 21633-2024 玻璃钢管和管件选用规定.pdf</a></li><li><a href="https://wk.58sms.com/doc/p-1479860.html" title="西南名校联盟2026届“3+3+3”高考备考诊断性联考(一)语文+答案.pdf"><i class="file-icon icon-pdf"></i>西南名校联盟2026届“3+3+3”高考备考诊断性联考(一)语文+答案.pdf</a></li><li><a href="https://wk.58sms.com/doc/p-1443516.html" title="英语试卷答案广西壮族自治区柳州市2026届高三第一次模拟考试(柳州一模)(11.17-11.19).pdf"><i class="file-icon icon-pdf"></i>英语试卷答案广西壮族自治区柳州市2026届高三第一次模拟考试(柳州一模)(11.17-11.19).pdf</a></li></ul></div><div id="hot_2" class="hotday" style="display: none;"><ul class="list-news-body clear"><li><a href="https://wk.58sms.com/doc/p-404253.html" title="飞利浦32PFL3605液晶电视(RAM1.0A LA机芯)维修手册_32PFL3605_RAM1.0A LA.pdf"><i class="file-icon icon-pdf"></i>飞利浦32PFL3605液晶电视(RAM1.0A LA机芯)维修手册_32PFL3605_RAM1.0A LA.pdf</a></li><li><a href="https://wk.58sms.com/doc/p-415445.html" title="日立CPT-2177彩电电路原理图_CPT-2177.pdf"><i class="file-icon icon-pdf"></i>日立CPT-2177彩电电路原理图_CPT-2177.pdf</a></li><li><a href="https://wk.58sms.com/doc/p-812474.html" title="抖音客户端电脑版下载抖音"><i class="file-icon icon-pan"></i>抖音客户端电脑版下载抖音</a></li><li><a href="https://wk.58sms.com/doc/p-104280.html" title="企业微信"><i class="file-icon icon-pan"></i>企业微信</a></li><li><a href="https://wk.58sms.com/doc/p-918020.html" title="WST598.7-2018卫生统计指标 第7部分:医疗服务.pdf"><i class="file-icon icon-pdf"></i>WST598.7-2018卫生统计指标 第7部分:医疗服务.pdf</a></li><li><a href="https://wk.58sms.com/doc/p-918165.html" title="WST461—2024糖化血红蛋白检测指南(代替WST 461—2015).pdf"><i class="file-icon icon-pdf"></i>WST461—2024糖化血红蛋白检测指南(代替WST 461—2015).pdf</a></li><li><a href="https://wk.58sms.com/doc/p-912078.html" title="新22S4专用给水工程.pdf"><i class="file-icon icon-pdf"></i>新22S4专用给水工程.pdf</a></li><li><a href="https://wk.58sms.com/doc/p-668736.html" title="【地理】必会知识点115条全梳理 .pdf"><i class="file-icon icon-pdf"></i>【地理】必会知识点115条全梳理 .pdf</a></li><li><a href="https://wk.58sms.com/doc/p-667652.html" title="JGJT199-2010 型钢水泥土搅拌墙技术规程.pdf"><i class="file-icon icon-pdf"></i>JGJT199-2010 型钢水泥土搅拌墙技术规程.pdf</a></li><li><a href="https://wk.58sms.com/doc/p-399740.html" title="SM2246XT_MP_EnhancePageMode_MPQ1102A_DBQ0412_FWQ0927A_20191120.rar"><i class="file-icon icon-rar"></i>SM2246XT_MP_EnhancePageMode_MPQ1102A_DBQ0412_FWQ0927A_20191120.rar</a></li></ul></div></div></div><script type="text/javascript"> $('.ranking-box>.hot>.tab>li').on('click', function () { $(this).addClass('active').siblings().removeClass('active'); $(this).parent().parent().children('.hotday').hide().eq($(this).index()).show(); }) </script><div class="list-box padding bg-white box-shadow margin-top-sm"><div class="list-box-title"><h3>最新文章</h3></div><ul class="list-box-body clear"><li><a href="https://wk.58sms.com/article/313.html" title="C5255复印机错误代码B000020-0291 0X91维修教程">C5255复印机错误代码B000020-0291 0X91维修教程</a></li><li><a href="https://wk.58sms.com/article/312.html" title="安装惠普打印机出现“新设备现已连接”一直不动怎么办?">安装惠普打印机出现“新设备现已连接”一直不动怎么办?</a></li><li><a href="https://wk.58sms.com/article/311.html" title="可以打印文档不能打印图片怎么办?">可以打印文档不能打印图片怎么办?</a></li><li><a href="https://wk.58sms.com/article/310.html" title="佳能 Color NetWork ScanGear 扫描仪已离线">佳能 Color NetWork ScanGear 扫描仪已离线</a></li><li><a href="https://wk.58sms.com/article/309.html" title="c5255更换废粉收集容器解决办法(共六步)">c5255更换废粉收集容器解决办法(共六步)</a></li><li><a href="https://wk.58sms.com/article/308.html" title="十大常见电脑故障及解决方法">十大常见电脑故障及解决方法</a></li><li><a href="https://wk.58sms.com/article/307.html" title="爱普生epson L1800 清零软件">爱普生epson L1800 清零软件</a></li><li><a href="https://wk.58sms.com/article/306.html" title="爱普生Epson L800 清零软件">爱普生Epson L800 清零软件</a></li><li><a href="https://wk.58sms.com/article/305.html" title="爱普生Epson L385 清零软件">爱普生Epson L385 清零软件</a></li><li><a href="https://wk.58sms.com/article/304.html" title="LJ2400pro硒鼓清零方法">LJ2400pro硒鼓清零方法</a></li></ul></div><div class="list-box bg-white box-shadow margin-top-sm"><div class="list-box-title"><h3>热门标签</h3></div><div class="tag-hot"><a class="tag" href="https://wk.58sms.com/doc/tag-80.html"># .docx</a><a class="tag" href="https://wk.58sms.com/doc/tag-1406.html"># 中考</a><a class="tag" href="https://wk.58sms.com/doc/tag-107.html"># 数学</a><a class="tag" href="https://wk.58sms.com/doc/tag-213.html"># 真题</a><a class="tag" href="https://wk.58sms.com/doc/tag-174.html"># 高考</a><a class="tag" href="https://wk.58sms.com/doc/tag-195.html"># 答案</a><a class="tag" href="https://wk.58sms.com/doc/tag-24.html"># .pdf</a><a class="tag" href="https://wk.58sms.com/doc/tag-116.html"># 语文</a><a class="tag" href="https://wk.58sms.com/doc/tag-51.html"># .doc</a><a class="tag" href="https://wk.58sms.com/doc/tag-190.html"># 试卷</a><a class="tag" href="https://wk.58sms.com/doc/tag-168.html"># 上册</a><a class="tag" href="https://wk.58sms.com/doc/tag-50.html"># 合同</a><a class="tag" href="https://wk.58sms.com/doc/tag-126.html"># 下册</a><a class="tag" href="https://wk.58sms.com/doc/tag-4421.html"># 小学</a><a class="tag" href="https://wk.58sms.com/doc/tag-138.html"># 英语</a><a class="tag" href="https://wk.58sms.com/doc/tag-42644.html"># 2025年</a><a class="tag" href="https://wk.58sms.com/doc/tag-4458.html"># 人教</a><a class="tag" href="https://wk.58sms.com/doc/tag-1457.html"># 专题</a><a class="tag" href="https://wk.58sms.com/doc/tag-1968.html"># 学年</a><a class="tag" href="https://wk.58sms.com/doc/tag-18406.html"># GB</a></div></div></div></div></div><!--底部信息--><div class="ui-cover"></div><div class="ui-modal animated"><div class="ui-modal-content"><i class="iconfont iconclose close-modal"></i><div class="ui-modal-top"></div><div class="ui-modal-body"></div></div></div><div class="ui-dialog animated"><div class="ui-dialog-content"><div class="ui-dialog-body">确认删除?</div><div class="ui-dialog-footer"><span class="ui-btn ui-btn-default ui-btn-sf">取消</span><span class="ui-btn ui-btn-primary ui-btn-sf">确定</span></div></div></div><div class="ui-tip animated"><div class="ui-tip-content"></div></div><footer><div class="container footer flex-between"><div class="footer-left"><div class="field-item"><a href="/about.html" title="关于我们">关于我们</a><a href="/statement.html" title="隐私协议">隐私协议</a><a href="/contactus.html" title="联系我们">联系我们</a><a href="/agreement.html" title="用户协议">用户协议</a><a href="/disclaimer.html" title="免责声明">免责声明</a><a href="/advertisement.html" title="广告投放">广告投放</a><a href="/partnership.html" title="市场合作">市场合作</a><a href="/sitemaps.xml" title="网站地图" target="_blank">网站地图</a></div><div class="margin-top-lg"><span class="margin-right-xs">若发现您的权益受到侵害,请立即联系客服,我们会尽快为您处理</span></div><div class="margin-top-sm"><span class="margin-right-xs">客服电话 5 * 9小时</span><span class="margin-right">客服电话:aobenkeji@163.com</span><span class="margin-right">客服QQ:3223642754</span><span>客服邮箱:aobenkeji@163.com</span></div></div><div class="footer-right fr"><div class="qr-img"><img src="https://wubawenkudoc.oss-cn-hangzhou.aliyuncs.com/files/202408/12/f1cc9709-cd22-4410-a589-365b77fcd464.jpg">微信公众号</div></div></div><div class="footer-bottom"><div class="container flex-between"><div>版权所有 2022-2026 五八文库</div><div class="field-item"><a target="_blank" href="https://beian.miit.gov.cn/"> 苏ICP备2021017305号-1</a>    </div></div></div></footer><script> var _hmt = _hmt || []; (function() { var hm = document.createElement("script"); hm.src = "https://hm.baidu.com/hm.js?ac1f7dc9d6331a51b6e1b73baa319aa3"; var s = document.getElementsByTagName("script")[0]; s.parentNode.insertBefore(hm, s); })(); </script> <link rel="stylesheet" type="text/css" href="https://wk.58sms.com/assets/kefu/css/iconfont.css"><link rel="stylesheet" type="text/css" href="https://wk.58sms.com/assets/kefu/css/serv-kefu.css"><div id="jiuniao-kefu" class="jiuniao-kefu-right-bottom"><div class="jiuniao-icon-item jiuniao-backtop" id="jiuniao_backtop"><a href="javascript:;" class="kefu kefu-top jiuniao-icon-link"><span class="jiuniao-icon-title">回到顶部</span></a></div></div><script type="text/javascript" src="https://wk.58sms.com/assets/desk/desk-install.js?v=20251121102315"></script><script type="text/javascript"> var contentid = 409058;var catid = 357;var shopid = 6;var vip = 'https://wk.58sms.com/vip.html'; var base = { contentid: 409058, catid: 357, shopid: 6, userid:100006, url:{ down: 'https://wk.58sms.com/wenku/down/init.html', vip: 'https://wk.58sms.com/vip.html', fav: 'https://wk.58sms.com/api/index/favorite.html', regard:'https://wk.58sms.com/api/index/follow.html', like: 'https://wk.58sms.com/wenku/index/dolikes.html', report: 'https://wk.58sms.com/wenku/index/report.html', recharge: 'https://wk.58sms.com/member/index/recharge.html', downfile: 'https://wk.58sms.com/wenku/down/downfile.html', share: 'https://wk.58sms.com/wenku/index/share.html', applyagent: 'https://wk.58sms.com/agent/index/main.html', } }; </script><script type="text/javascript" src="https://wk.58sms.com/assets/wenku/js/content.js?v=20251121102315"></script><script src="https://wk.58sms.com/assets/js/clipboard.min.js?v=20251121102315" type="text/javascript"></script><script src="https://wk.58sms.com/assets/js/jquery.lazyload.min.js?v=20251121102315" type="text/javascript"></script><script src="https://wk.58sms.com/assets/js/clipboard.min.js?v=20251121102315"></script><script type="text/javascript"> $(function() { $("img.lazy").lazyload({effect: "fadeIn"}); }); </script><script> (function(){ var bp = document.createElement('script'); var curProtocol = window.location.protocol.split(':')[0]; if (curProtocol === 'https') { bp.src = 'https://zz.bdstatic.com/linksubmit/push.js'; } else { bp.src = 'http://push.zhanzhang.baidu.com/push.js'; } var s = document.getElementsByTagName("script")[0]; s.parentNode.insertBefore(bp, s); })(); </script><script> (function(){ var el = document.createElement("script"); el.src = "https://lf1-cdn-tos.bytegoofy.com/goofy/ttzz/push.js?a37d7603cacf936a5172461a04b871736008be35d3aa4b8fc28d959eee7f7b82c112ff4abe50733e0ff1e1071a0fdc024b166ea2a296840a50a5288f35e2ca42"; el.id = "ttzz"; var s = document.getElementsByTagName("script")[0]; s.parentNode.insertBefore(el, s); })(window) </script></body></html>