IC封装资料_电源管理芯片_HX7350 _TO-92.pdf

IC封装资料_电源管理芯片_HX7350 _TO-92.pdf_第1页
IC封装资料_电源管理芯片_HX7350 _TO-92.pdf_第2页
IC封装资料_电源管理芯片_HX7350 _TO-92.pdf_第3页
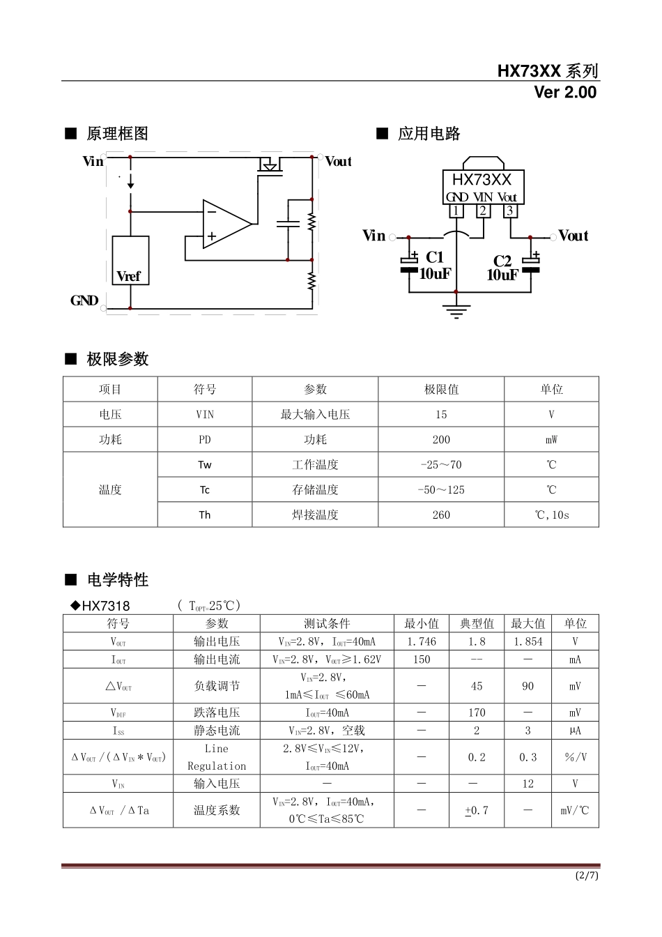
HX73XX系列Ver2.00(1/7)系列LDO线性稳压器■产品简介系列是一款实用CMOS技术开发的低压差、高精度输出电压、超低功耗电流的正电压型电压稳压电路。由于内置有低通态电阻晶体管,因而如数输出压差低,同事具有高输...

1、本站所有内容均由用户上传,如文档内容存在违规,或者侵犯商业秘密、侵犯著作权等,请联系我们督促用户删除。
2、当您付费下载文档后,并不意味着购买了版权,版权任归原作者所有,文档只能用于自身研究参考使用,不得用于商业用途。
3、本站不对文档的完整性、权威性及其观点立场正确性做任何保证或承诺!文档内容仅供研究参考,付费前请自行鉴别。

电脑上下载的文档不知道保存在哪里?
使用键盘组合键(ctrl + j),就能打开浏览器的下载列表,查看文档下载进度和保存位置。

文档是由不同用户整理和上传,上传的时候是什么格式和内容,下载之后也不会变。建议您先查看一下文档内容和格式,是否符合自己的要求。

真题+ 关注
机构认证
内容提供者

该用户很懒,什么也没介绍

确认删除?
回到顶部