2025年优质工程资料:3~8#楼外墙装修施工方案.doc

2025年优质工程资料:3~8#楼外墙装修施工方案.doc_第1页
2025年优质工程资料:3~8#楼外墙装修施工方案.doc_第2页
2025年优质工程资料:3~8#楼外墙装修施工方案.doc_第3页
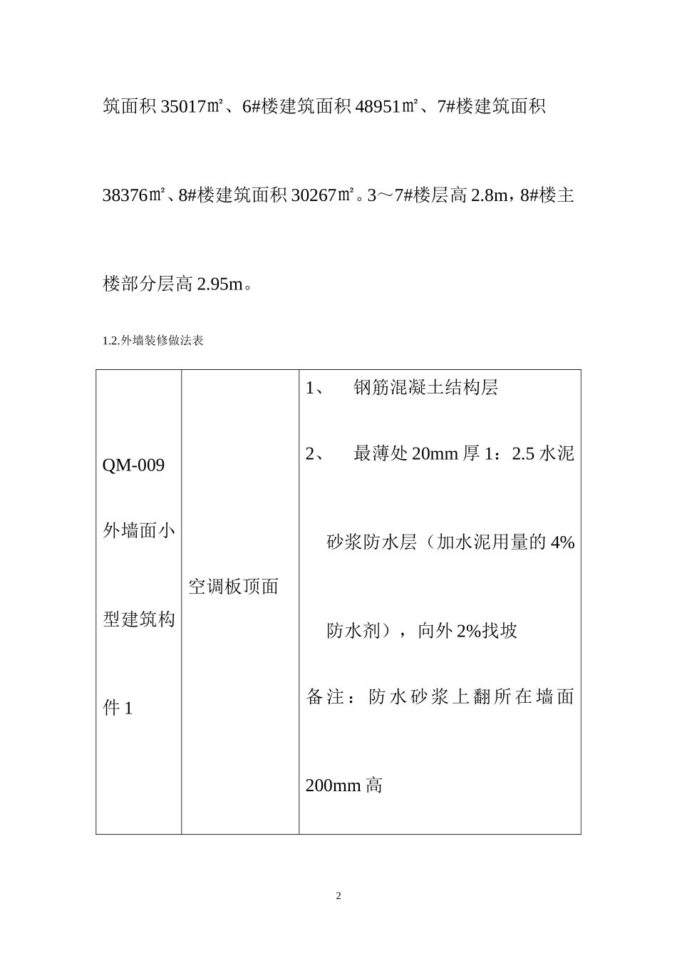
3~8#楼外墙装修施工方案1.工程概况1.1.工程地点及规模本工程由四川蓝光和骏实业股份有限公司开发建设的富丽·碧蔓汀工程,位于成都市解放路一段,该工程由中国建筑西南设计研究院和成都市人防建筑设计研究院设计...

1、本站所有内容均由用户上传,如文档内容存在违规,或者侵犯商业秘密、侵犯著作权等,请联系我们督促用户删除。
2、当您付费下载文档后,并不意味着购买了版权,版权任归原作者所有,文档只能用于自身研究参考使用,不得用于商业用途。
3、本站不对文档的完整性、权威性及其观点立场正确性做任何保证或承诺!文档内容仅供研究参考,付费前请自行鉴别。

电脑上下载的文档不知道保存在哪里?
使用键盘组合键(ctrl + j),就能打开浏览器的下载列表,查看文档下载进度和保存位置。

文档是由不同用户整理和上传,上传的时候是什么格式和内容,下载之后也不会变。建议您先查看一下文档内容和格式,是否符合自己的要求。

ljcx+ 关注
实名认证
内容提供者

教育文档、标准规范

确认删除?
回到顶部