市政基础设施工程施工技术交底.doc

市政基础设施工程施工技术交底.doc_第1页
市政基础设施工程施工技术交底.doc_第2页
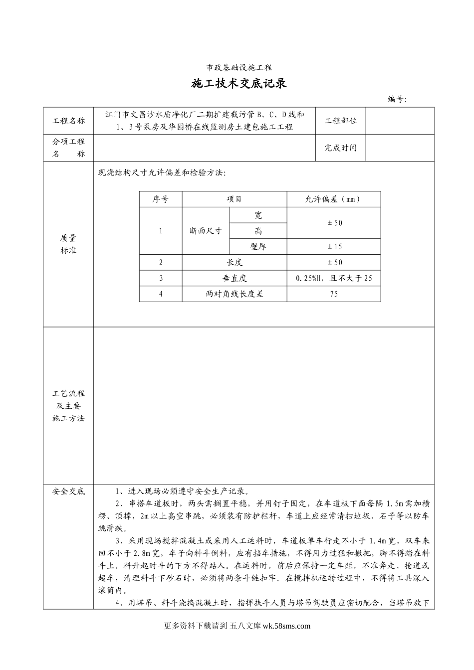
市政基础设施工程施工技术交底记录编号:工程名称江门市文昌沙水质净化厂二期扩建截污管B、C、D线和1、3号泵房及华园桥在线监测房土建包施工工程工程部位分项工程名称完成时间质量标准现浇结构尺寸允许偏差和检验...

1、本站所有内容均由用户上传,如文档内容存在违规,或者侵犯商业秘密、侵犯著作权等,请联系我们督促用户删除。
2、当您付费下载文档后,并不意味着购买了版权,版权任归原作者所有,文档只能用于自身研究参考使用,不得用于商业用途。
3、本站不对文档的完整性、权威性及其观点立场正确性做任何保证或承诺!文档内容仅供研究参考,付费前请自行鉴别。

电脑上下载的文档不知道保存在哪里?
使用键盘组合键(ctrl + j),就能打开浏览器的下载列表,查看文档下载进度和保存位置。

文档是由不同用户整理和上传,上传的时候是什么格式和内容,下载之后也不会变。建议您先查看一下文档内容和格式,是否符合自己的要求。

小米粒+ 关注
实名认证
内容提供者

该用户很懒,什么也没介绍

确认删除?
回到顶部