每日起重机械安全检查记录-汽车式轮胎式起重机.docx

每日起重机械安全检查记录-汽车式轮胎式起重机.docx_第1页
每日起重机械安全检查记录-汽车式轮胎式起重机.docx_第2页
每日起重机械安全检查记录-汽车式轮胎式起重机.docx_第3页
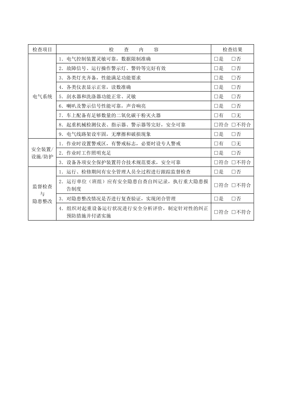
每日起重机械安全检查表(汽车式/轮胎式起重机)年月日公司名称设备型号设备编号登记证号当班作业人员检查人员检查项目检查内容检查结果落实安全管理制度1.岗位安全责任制、设备运行及检修、交接班、应急预案及现...

1、本站所有内容均由用户上传,如文档内容存在违规,或者侵犯商业秘密、侵犯著作权等,请联系我们督促用户删除。
2、当您付费下载文档后,并不意味着购买了版权,版权任归原作者所有,文档只能用于自身研究参考使用,不得用于商业用途。
3、本站不对文档的完整性、权威性及其观点立场正确性做任何保证或承诺!文档内容仅供研究参考,付费前请自行鉴别。

电脑上下载的文档不知道保存在哪里?
使用键盘组合键(ctrl + j),就能打开浏览器的下载列表,查看文档下载进度和保存位置。

文档是由不同用户整理和上传,上传的时候是什么格式和内容,下载之后也不会变。建议您先查看一下文档内容和格式,是否符合自己的要求。

ljcx+ 关注
实名认证
内容提供者

教育文档、标准规范

确认删除?
回到顶部